Our Services
We offer a variety of programming and designs services.
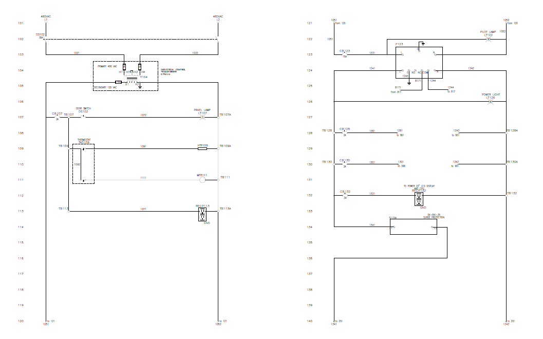
PLC Programming
Develop robust, scalable automation solutions for industrial applications using major PLC platforms. Expertise in Ladder Logic, Structured Text, and Function Block Diagrams. Proficient with leading brands: Schneider Electric, Siemens, Allen-Bradley. Compliant with IEC and international automation standards.
SCADA / HMI Programming
Develop and configure SCADA applications tailored to your process using industry-leading platforms such as Inductive Automation Ignition, FactoryTalk View, and GE iFIX, TP Comfort Panels, Magelis and more. Our programming services include tag configuration, HMI development, alarms, trending, and secure connectivity for real-time monitoring and control.
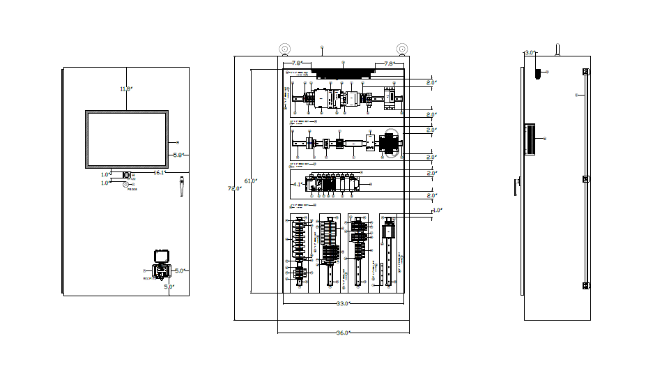
Electrical Design
Panel Layout, Schematics, Bill of Materials, and 3D Models.
Design a complete control panel for your system with precise dimensions, accurate component selection, and a comprehensive BOM, leveraging AutoCAD Electrical’s database. Compliance with NFPA, NEC and OSHA safety measures.
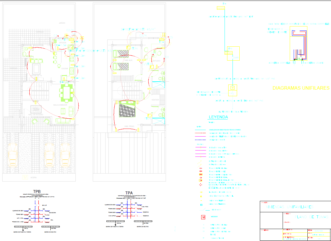
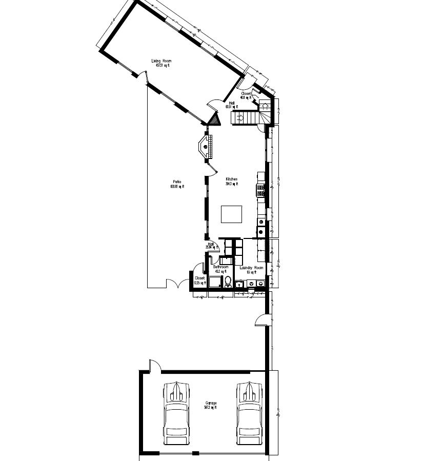
General AutoCAD
We can provide any AutoCAD service for your company, just send us a message and we can accommodate to your needs.
ABOUT US
Who We Are
We are your trusted design and automation partner.
Are you looking for experts to turn your ideas into reality?
We’ve successfully delivered hundreds of projects for satisfied clients across the U.S.
100%
HAPPY CLIENTS
100%
AVAILABILITY
100%
GUARANTEED
Our Work
Our work is vast and qualified. We can also learn a specific software for you and use it, as you need it.
WANT TO KNOW MORE ABOUT OUR COMPANY? CURIOUS ABOUT WHAT ELSE WE DO?
